登录
|
注册
1970/01/01 下午00:00:00
累计访问量: 1664843
首页
协会动态
行业动态
标准/报告
标准
报告
政策法规
旧货
产业
政策解读
财税
知识产权
涉外
人力资源
其他
培训/活动
行业活动
行业培训
论坛峰会
行业研究
技术委员会
委员名单
动态信息
关于我们
协会简介
理事会
组织机构
联系我们
入会申请
入会指南
入会申请
会员名录
党建天地
返回首页
>
标准/报告
标准
报告
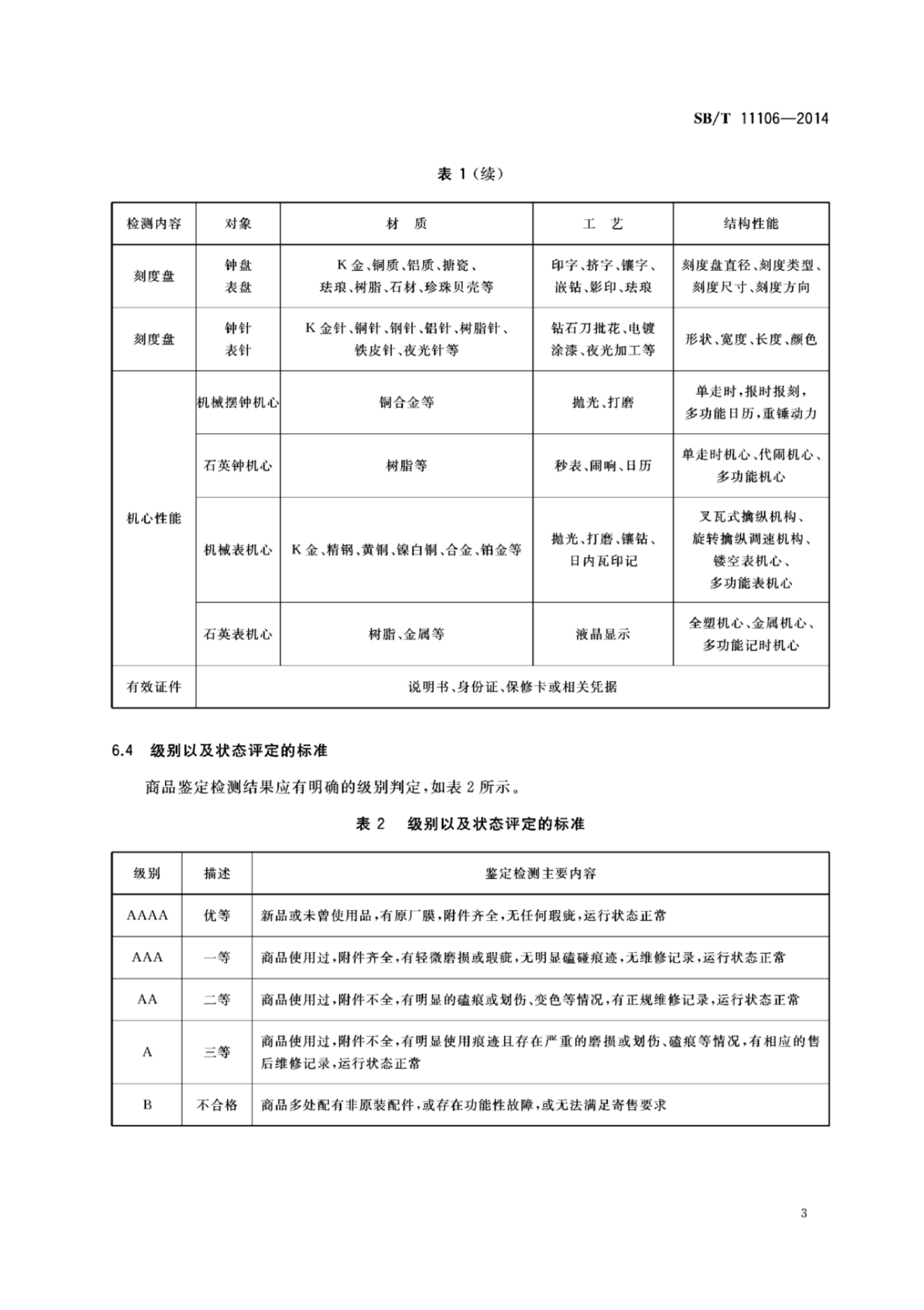
《二手钟表寄售经营服务规范》SB/T11106-2014
发布时间 : 2022年3月24日 10:21
上一篇:
《进口二手挖掘机验收规范》JB
下一篇:
《二手货 分类》GB/T303